LOG IN:
Username:
Password:
Forgot Password?
Join Now
Forums
Gallery
Members
Registry
About
Clark Mikkelsen
>
1975 Ford Ranchero
>
rear_suspension
> rear_suspension2.jpg
File 2 of 2
Prev
|
Next
Share This
Url
Tag
Img
Thumb
Flag as inappropriate
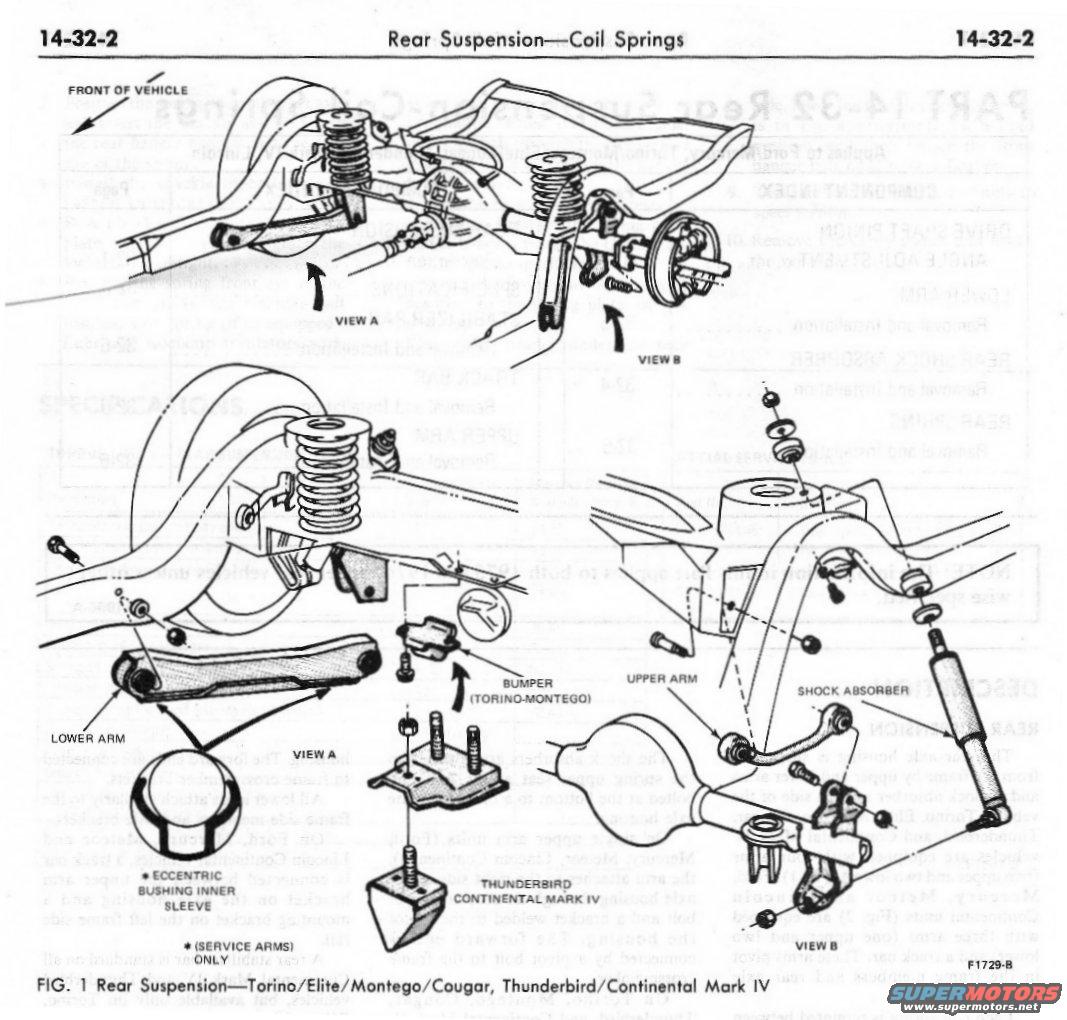
rear_suspension2.jpg | Hits: 440 | Posted on: 7/8/08 |
View Low-Res