File 4 of 4
Prev | Next

Url
Tag
Img
Thumb

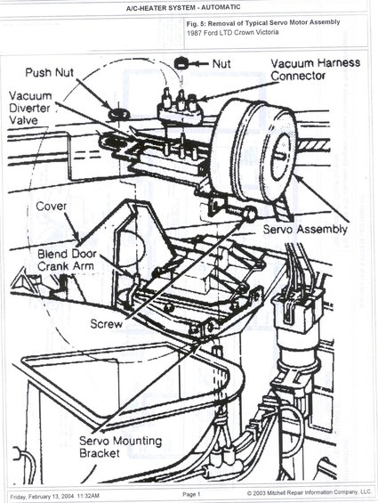
servo_motor_assembly.jpg
servo_motor_assembly.jpg | Hits: 904 | Posted on: 4/11/07 | View original size (453.53 KB)
About SuperMotors | Contact Us | FAQ/Help | Legal
Copyright © 1998-2022 Web Design Solutions, Inc.
All rights reserved. Duplication & reproduction is strictly prohibited.
SuperMotors.net v5.0.2 ChangeLog