LOG IN:
Username:
Password:
Forgot Password?
Join Now
Crownvic.net Readers Rides
Forums
Gallery
Members
Registry
About
Drock96marquis
>
1996 Mercury Grand Marquis
>
Panther Transmission Control diagrams/pinouts
> 03transcontrols.jpg
File 1 of 4
Prev
|
Next
Share This
Url
Tag
Img
Thumb
Flag as inappropriate
03transcontrols.jpg | Hits: 1971 | Posted on: 1/26/08 |
View Low-Res
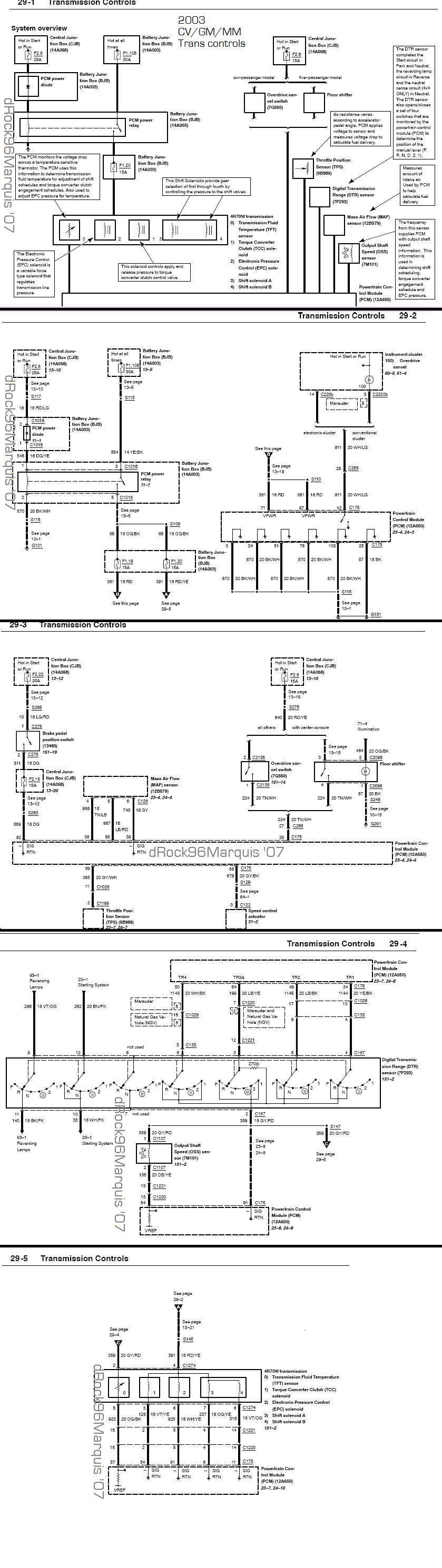
2003 CV/GM/MM Electronic Transmission Controls