LOG IN:
Username:
Password:
Forgot Password?
Join Now
Crownvic.net Readers Rides
Forums
Gallery
Members
Registry
About
Drock96marquis
>
1996 Mercury Grand Marquis
>
Panther LCM / lighting circuits and pinouts
> 9802cvgmqdrl.jpg
File 20 of 47
Prev
|
Next
Share This
Url
Tag
Img
Thumb
Flag as inappropriate
9802cvgmqdrl.jpg | Hits: 2398 | Posted on: 1/29/08 |
View Low-Res
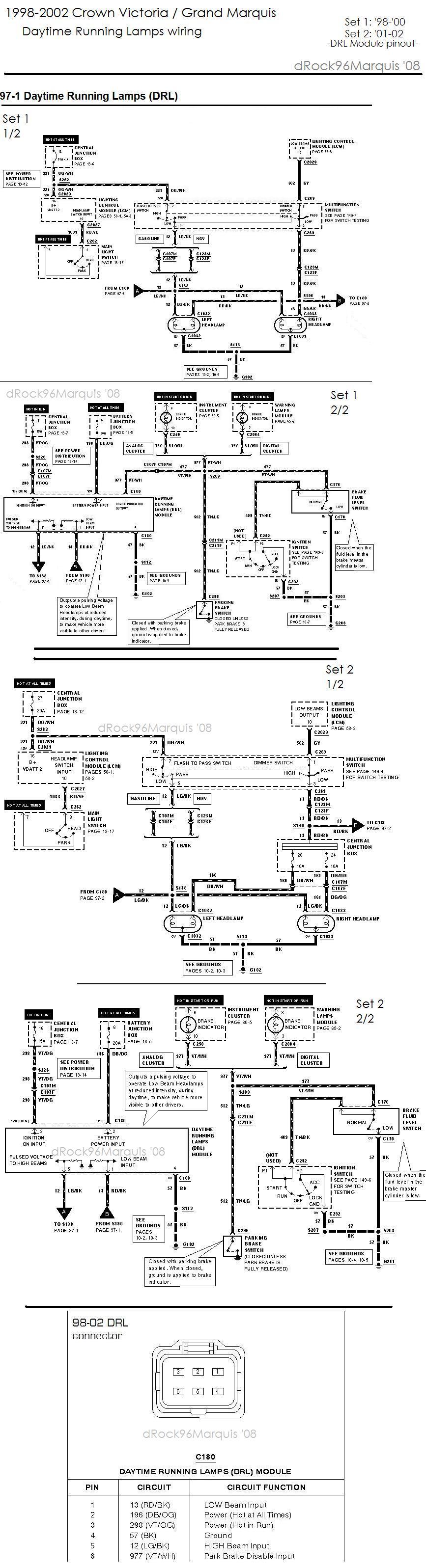
1998-2002
CV/GMQ DRL wiring and module pinout