LOG IN:
Username:
Password:
Forgot Password?
Join Now
Crownvic.net Readers Rides
Forums
Gallery
Members
Registry
About
Drock96marquis
>
1996 Mercury Grand Marquis
>
Panther Electronic Engine Controls / Ignition
> 2005enginecontrols3.jpg
File 22 of 23
Prev
|
Next
Share This
Url
Tag
Img
Thumb
Flag as inappropriate
2005enginecontrols3.jpg | Hits: 3137 | Posted on: 8/7/09 |
View Low-Res
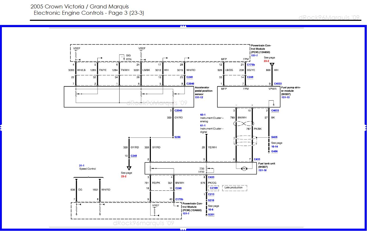
2005 CV/GMQ engine controls page 3
(I will be uploading the rest within the next day or two)