LOG IN:
Username:
Password:
Forgot Password?
Join Now
Crownvic.net Readers Rides
Forums
Gallery
Members
Registry
About
Drock96marquis
>
1996 Mercury Grand Marquis
>
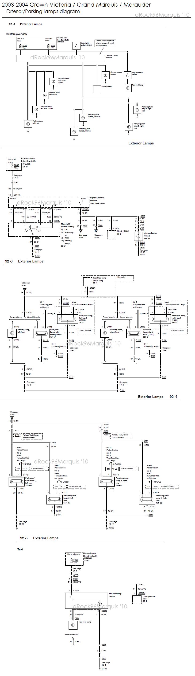
Panther LCM / lighting circuits and pinouts
> 0304cvgmqextlamps.jpg
File 44 of 47
Prev
|
Next
Share This
Url
Tag
Img
Thumb
Flag as inappropriate
0304cvgmqextlamps.jpg | Hits: 1786 | Posted on: 3/6/10 |
View Low-Res
2003-2004
CV/GMQ/MM
Exterior/Parking lamp diagram