LOG IN:
Username:
Password:
Forgot Password?
Join Now
Forums
Gallery
Members
Registry
About
dogonmut
>
1987 Suzuki Samurai
>
Info
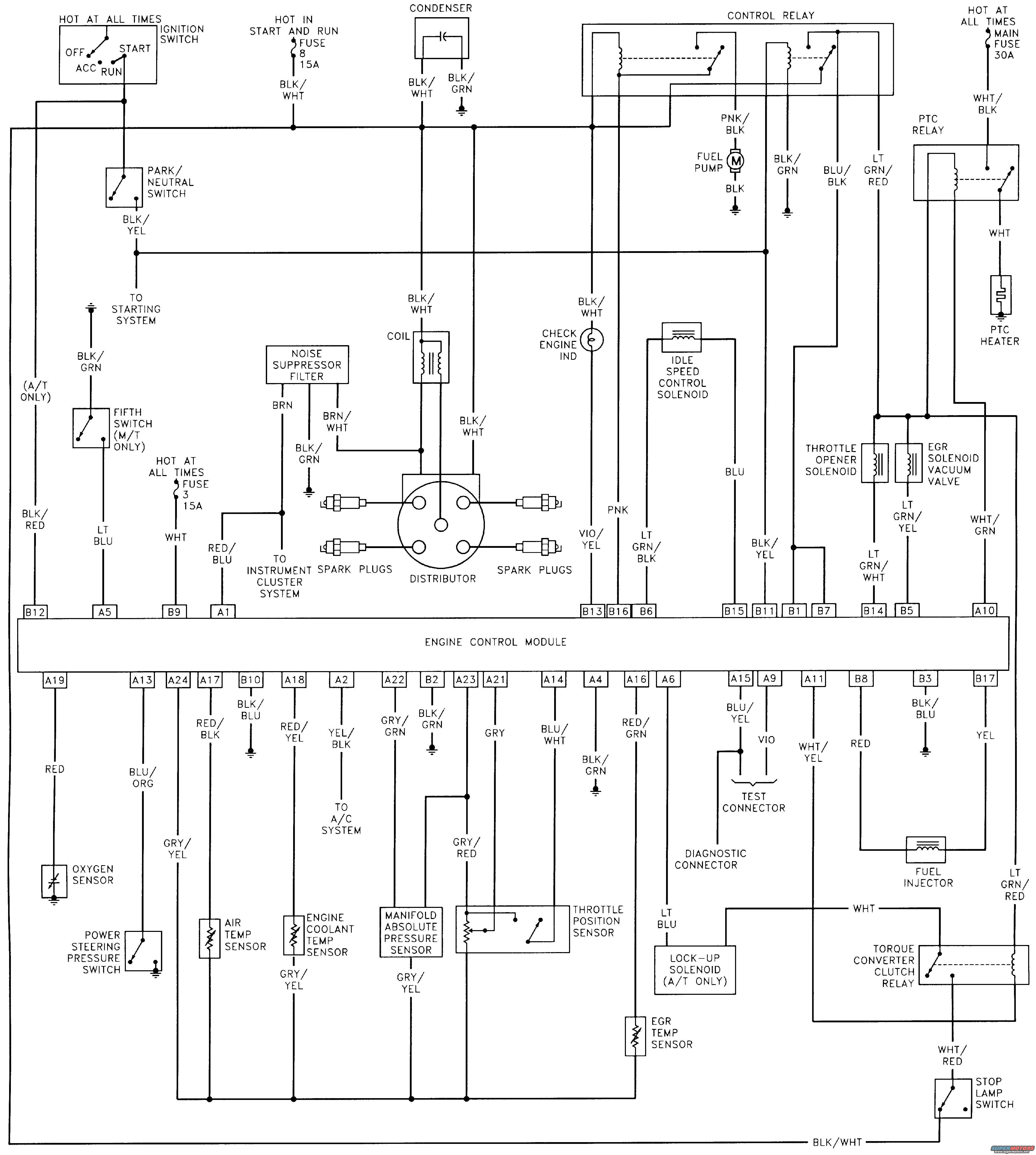
> 8990_engine-wiring.jpg
File 6 of 17
Prev
|
Next
Share This
Url
Tag
Img
Thumb
Flag as inappropriate
8990_engine-wiring.jpg | Hits: 586 | Posted on: 5/2/09 |
View Low-Res