LOG IN:
Username:
Password:
Forgot Password?
Join Now
Forums
Gallery
Members
Registry
About
dogonmut
>
1987 Suzuki Samurai
>
Info
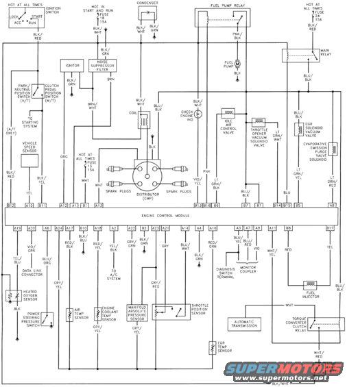
> 9195_engine-wiring.jpg
File 7 of 17
Prev
|
Next
Share This
Url
Tag
Img
Thumb
Flag as inappropriate
9195_engine-wiring.jpg | Hits: 946 | Posted on: 5/2/09 |
View original size
(889.17 KB)