LOG IN:
Username:
Password:
Forgot Password?
Join Now
Forums
Gallery
Members
Registry
About
Steve83
>
1997 Ford F-250
>
Western UltraMount 7-foot; Plow
> wiring9pincustom.jpg
File 5 of 15
Prev
|
Next
Share This
Url
Tag
Img
Thumb
Flag as inappropriate
wiring9pincustom.jpg | Hits: 0 | Posted on: 2/3/26 |
View Low-Res
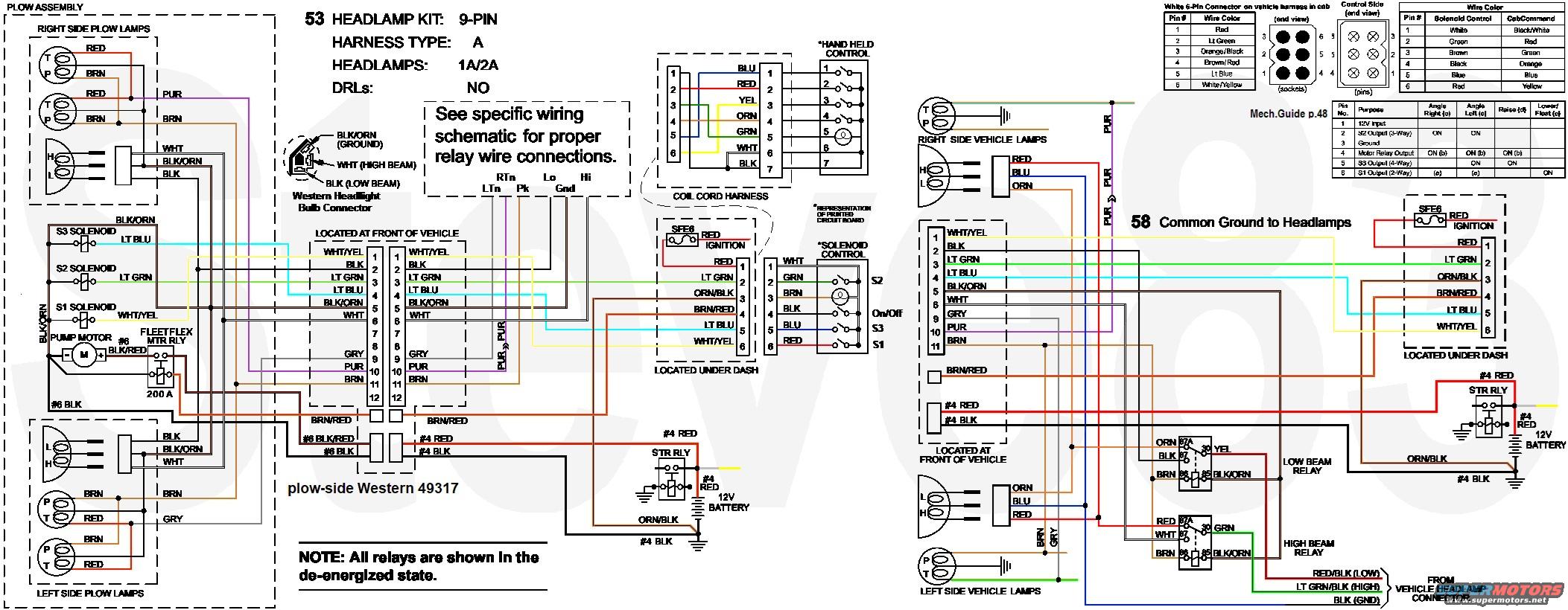
This is how I wired the plow to the truck. The truck's headlights stay on.
IF THE IMAGE IS TOO SMALL, click it.