LOG IN:
Username:
Password:
Forgot Password?
Join Now
SuperFord.org
Forums
Gallery
Members
Registry
About
Steve83
>
1983 Ford Bronco
>
Diagrams
> wiring84.jpg
File 291 of 471
Prev
|
Next
Share This
Url
Tag
Img
Thumb
Flag as inappropriate
wiring84.jpg | Hits: 27181 | Posted on: 3/15/09 |
View Low-Res
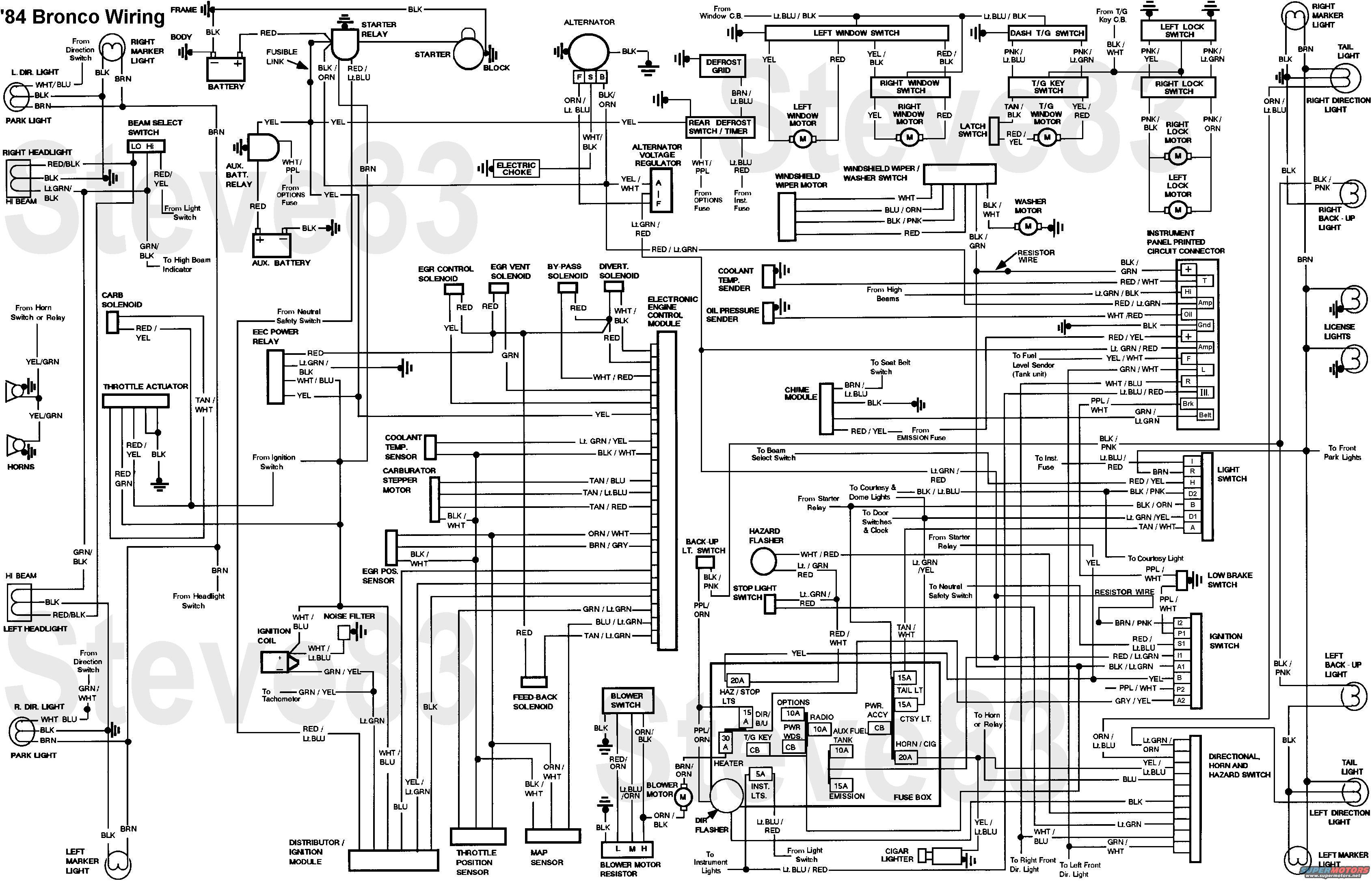
Wiring Diagram for '84 Bronco & F-series (gas).
IF THE IMAGE IS TOO SMALL, click it.
Similar to '80-91 Bronco & F-series (gas).
See also:
http://www.revbase.com/BBBMotor/Wd
.
.
https://www.fleet.ford.com/truckbbas/non-html/1997/c37_39_p.pdf
For '79 & similar trucks, see:
http://www.supermotors.net/registry/24302/78593-2