File 10 of 14
Prev | Next

Url
Tag
Img
Thumb


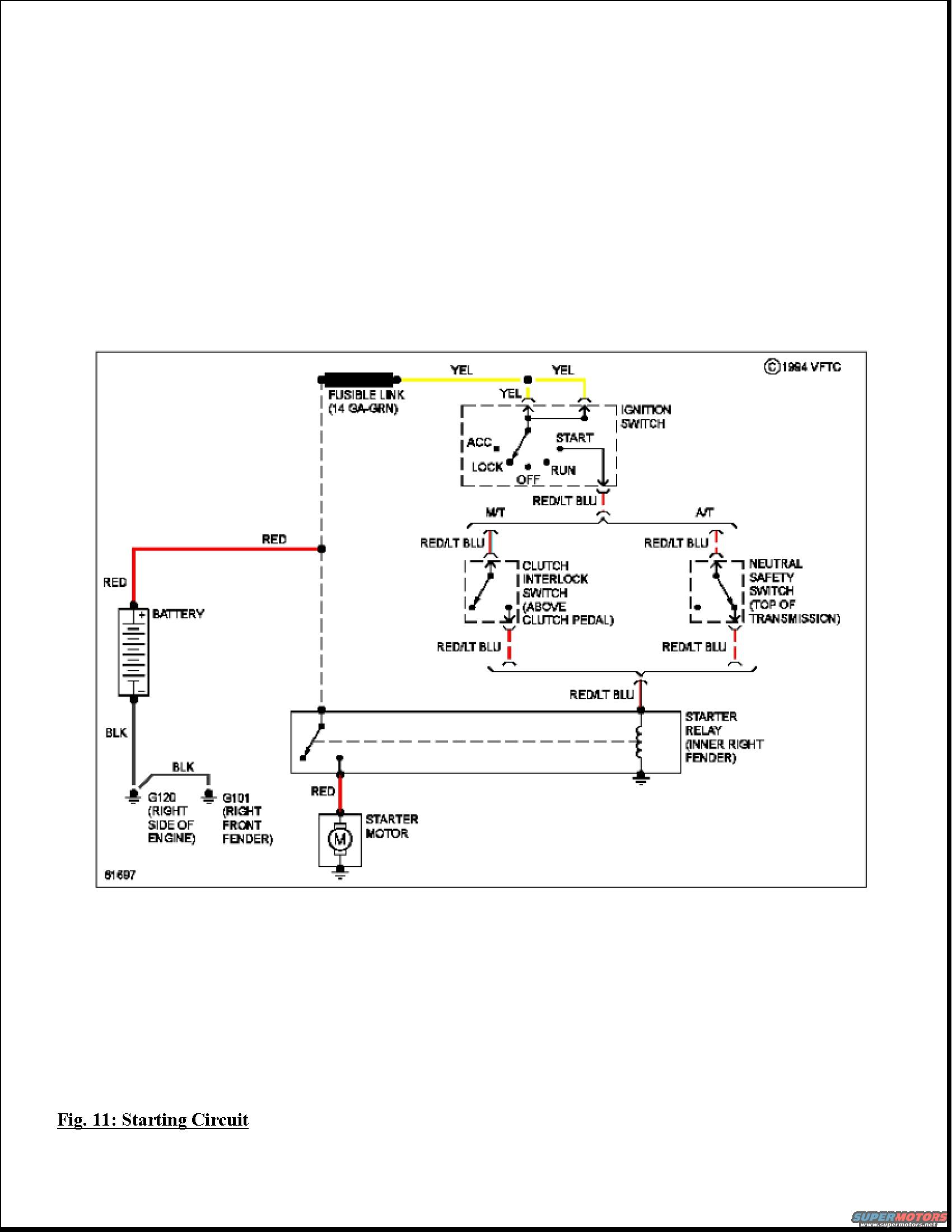
starting.jpg | Hits: 132 | Posted on: 11/28/14 | View Low-Res

Starting
About SuperMotors | Contact Us | FAQ/Help | Legal
Copyright © 1998-2022 Web Design Solutions, Inc.
All rights reserved. Duplication & reproduction is strictly prohibited.
SuperMotors.net v5.0.2 ChangeLog