File 20 of 114
Prev | Next

Url
Tag
Img
Thumb


door-window.jpg | Hits: 4315 | Posted on: 10/14/05 | View Low-Res

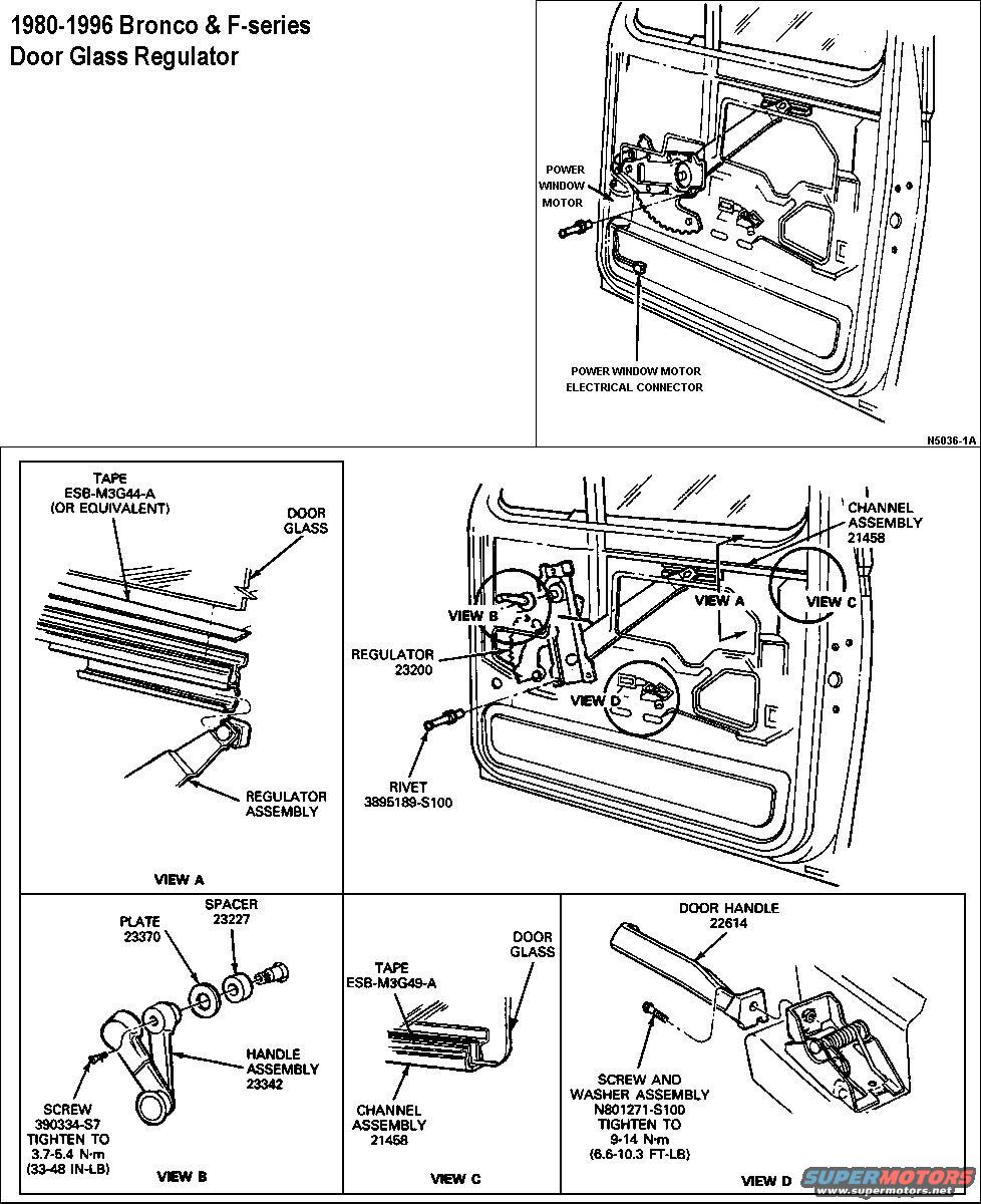
Door Window Manual Regulator & Inside Handle

Door Panel Removal
About SuperMotors | Contact Us | FAQ/Help | Legal
Copyright © 1998-2022 Web Design Solutions, Inc.
All rights reserved. Duplication & reproduction is strictly prohibited.
SuperMotors.net v5.0.2 ChangeLog