LOG IN:
Username:
Password:
Forgot Password?
Join Now
Articles
Clubs
Forums
Gallery
Members
Registry
Services
Drock96marquis
>
1996 Mercury Grand Marquis
>
Panther Body/Chassis/MISC diagrams and pinouts
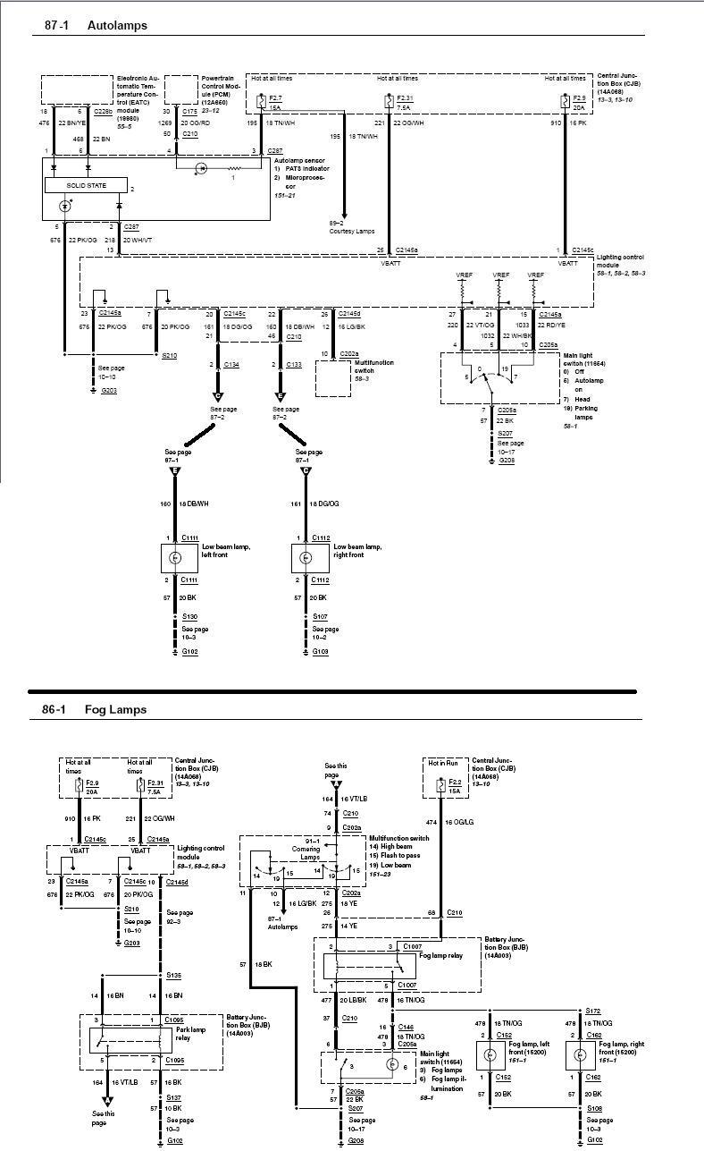
> 2003tcheadlamps.jpg
File 32 of 62
Prev
|
Next
Share This
Url
Tag
Img
Thumb
Flag as inappropriate
2003tcheadlamps.jpg | Hits: 2514 | Posted on: 1/7/07 |
View Low-Res
2003 Town Car Head&Fog lamps