LOG IN:
Username:
Password:
Forgot Password?
Join Now
Articles
Clubs
Forums
Gallery
Members
Registry
Services
Drock96marquis
>
1996 Mercury Grand Marquis
>
TECH/MISC -- Click for MISC tech pics-SEE SUBS
> 03+headlamps.jpg
File 104 of 123
Prev
|
Next
Url
Tag
Img
Thumb
Flag as inappropriate
03+headlamps.jpg | Hits: 2015 | Posted on: 10/10/07 |
View Low-Res
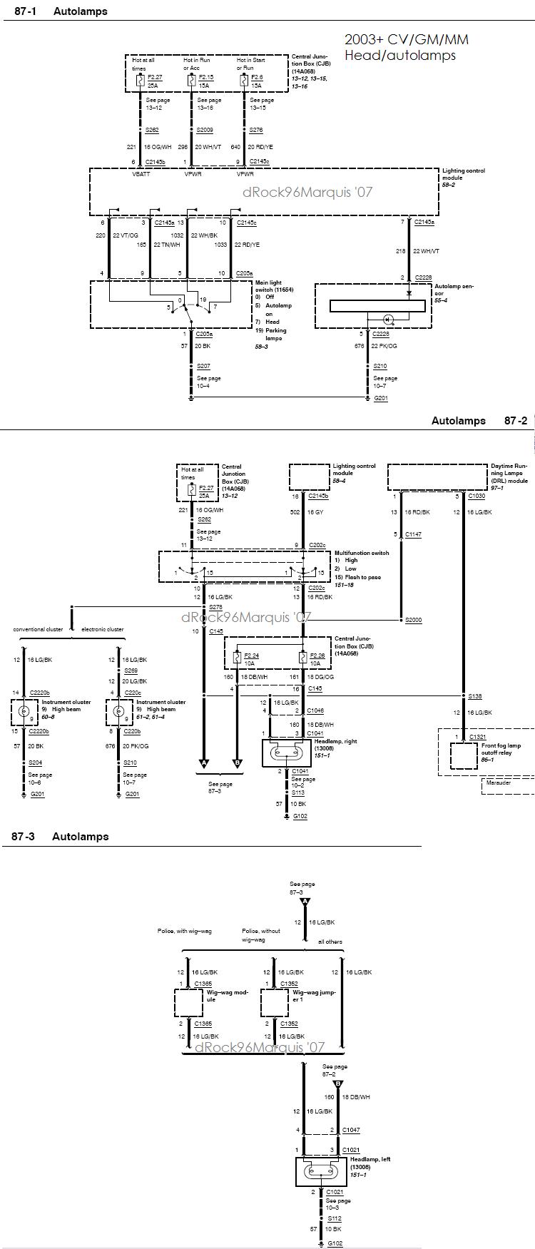
03+ CV/GM/MM headlamp/autolamps