File 471 of 471
Prev | Next

Share This
Url
Tag
Img
Thumb


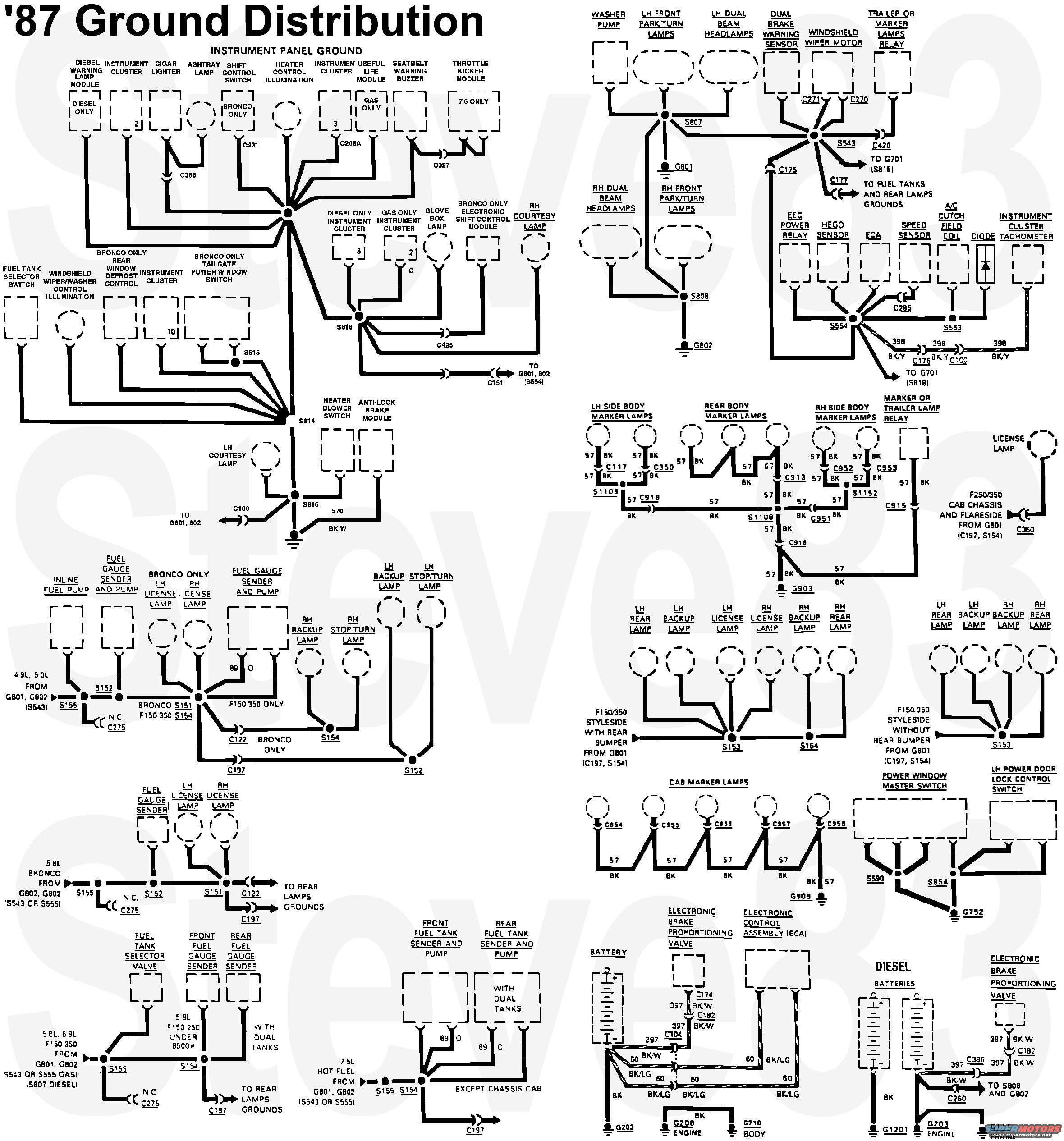
87gnddist.jpg | Hits: 0 | Posted on: 11/26/25 | View Low-Res

'87 Ground Distribution
IF THE IMAGE IS TOO SMALL, click it.

Ground Locations:
G108: Near Voltage Regulator
G109: Top Rear Of Engine
G111: RH Frame Near Battery
G111: RH Frame Near Battery
G117: Near Ignition Coil
G119: Behind I/P Near Center
G155: Top Rear Of Engine
G156: Center Of Dash Panel
G203: RH Side Of Engine
G208: Near Throttle Position Solenoid
G209: Center Of Dash Panel
G210: At Electronic Voltage Regulator
G211: Near Starter Motor Relay
G462: Near Throttle Position Solenoid
G502: To Interval Governor
G701: Behind I/P Near Center
G711: LH Rear Of Engine
G751: At LH Side Of Tailgate
G752: In LH Door
G757: Right Rear Carburetor Stud
G758: Right Front Carburetor Stud
G801: LH Inner Fender Behind Headlamps
G802: RH Inner Fender Behind Headlamps
G803: At Fuel Sedimentary Bolt
G804: At Lower Hole Of LH Quarter Panel
G903: At LH Side Of Rear Crossmember
G909: At Lower LH Cowl Access Hole
G1006: Rear LH Side Of Frame At Rear Crossmember
G1201: At Front LH Side Of Engine

Splice Locations:
S101: Behind I/P Near Fuel Tank Selector Switch
S108: Near Tailgate Power Window Switch Take Out
S109: Near Tailgate Power Window Switch Take Out
S110: Near Fuel Pump Cutoff Relay Take Out
S140: Between S142 And S143
S142: Near Take Out To No. 4 Fuel Injector
S143: Near Take Out To No. 8 Fuel Injector
S151: Near License Lamp Take Out
S152: Near LH Backup Lamp Take Out
S153: Near License Lamp Take Out
S154: Near Front Fuel Gage Sender Take Out
S155: Near Electronic Rear Brake Pressure Valve Take Out
S156: Near Fuel Line Heater
S158: Near LH Glow Plugs
S159: Near RH Glow Plugs
S162: Near Heater Control Switch Take Out
S163: Near Heater Control Switch Take Out
S164: Near License Lamp Take Out
S165: In Take Out To Throttle Air By-Pass Solenoid
S167: In Take Out To MAP Sensor
S168: Near Take Out To EEC Diode
S172: Near Take Out To EEC Diode
S174: Near Take Out To EEC Power Relay
S176: Near Fuel Tank Selector Valve Take Out
S177: Near Fuel Tank Selector Valve Take Out
S185: Near Radio Take Out
S203: Near Fuse Link J Take Out
S208: Near Main Light Switch Take Out
S216: Near Steering Column Connector Take Out
S220: Near LH Courtesy Lamp Take Out
S221: Near Ignition Switch Take Out
S270: Between Take Out's To EEC Power Relay
S271: Near Take Out To C178 (LH Side)
S276: Near Take Out To C178 (LH Side)
S277: Near Take Out To C178 (RH Side)
S303: Near Windshield Washer Switch Take Out
S355: Near Alternator Take Out
S360: Near LH Horn Take Out Take Out
S401: Near Steering Column Connector Take Out
S404: Near Clutch Switch Take Out
S407: Near Vacuum Purge Solenoid Take Out
S410: Behind I/P In cooling Fan Harness
S501: Near RH Courtesy Lamp Take Out
S503: Near Instrument Cluster Take Out
S504: Near Instrument Cluster Take Out
S507: Near Warning Buzzer Take Out
S508: Behind I/P Near Warning Buzzer Take Out
S509: Near Anti-Lock Brake Module Take Out
S510: Near Anti-Lock Brake Module Take Out
S511: Near Anti-Lock Brake Module Take Out
S512: Near Fuel Tank Selector Take Out
S513: Near Fuse Panel Take Out
S515: Near Behind I/P Near Liftgate Power Window Switch Take Out
S517: Near LH Courtesy Lamp Take Out
S518: Near Headlamp Dimmer Switch Take Out
S520: Near Warning Buzzer Take Out
S522: Behind I/P Near Trailer Lamp Relay Take Out
S523: Behind I/P Near Marker Lamp Relay Take Out
S530: Near Clutch Interlock Switch Take Out
S535: Near Choke Relay Take Out
S536: Near Windshield Wiper Motor Take Out
S538: Engine Compartment Near Air Charge Sensor Take Out
S541: Near Diesel Engine Harness Connector Take Out
S543: Engine Compartment Near Brake Sensor Take Out
S545: Near LH Headlamp Take Out
S547: Engine Compartment Near HEGO Ground Take Out
S548: Engine Compartment Near No. 5 Fuel Injector Take Out
S549: Engine Compartment Near No. 3 Fuel Injector Take Out
S550: Near Brake Sensor Take Out
S551: Engine Compartment Near No. 3 Fuel Injector Take Out
S552: Engine Compartment Near Throttle Air Bypass Solenoid Take Out
S554: Engine Compartment Near Speed Sensor Take Out
S555: Engine Compartment Near Ignition Module Take Out
S556: Near Ignition Module Take Out
S560: Near Fuel Sedimentor Water Switch Take Out
S562: Near A/C Clutch Take Out
S563: Near A/C Clutch Take Out
S565: Engine Compartment Near Clutch Interlock Switch Take Out
S567: Near Take Out To A/C Pressure Cycling Switch
S570: Near Fuel Tank Sender Take Out
S571: Near Fuel Tank Sender Take Out
S576: Near LH Backup Lamp Take Out
S578: Near LH Backup Lamp Take Out
S583: Near Take Out To A/C Clutch Coil
S584: Near Take Out To A/C Clutch Coil
S590: In LH Door Near Power Window Switch Take Out
S591: In LH Door Near Window Control Switch Take Out
S603: In Take Out To Blower Motor Switch
S701: Near Blower Resistor
S801: Near Headlamp Take Out
S805: Near Cigar Lighter Take Out
S806: Near Windshield Wiper Switch Illumination Take Out
S807: Near LH Headlamp Take Out
S808: Near RH Front Park Lamp Take Out
S811: Near Ignition Switch Take Out
S814: Near W/S Wiper Illumination Lamp Take Out
S815: Near G701 Take Out
S818: Near RH Courtesy Lamp Take Out
S850: Near Main Light Switch Take Out
S852: Near LH Master Window Control Switch Take Out
S853: Near LH Master Window Control Switch Take Out
S854: Near LH Master Window Switch Take Out
S856: Near RH Front Door Lock Motor Take Out
S857: Near RH Front Door Lock Motor Take Out
S858: Near LH Master Window Control Take Out
S902: Near RH Side Marker Lamp Take Out
S903: Near Fuel Gage Sender And Pump Take Out
S904: Near License Lamp Take Out
S1004: Near Ignition Switch Take Out
S1103: Near RH Courtesy Lamp Take Out
S1108: Near Rear Marker Lamp Take Out
S1109: Near LH Front Side Marker Lamp Take Out
S1152: Near RH Front Side Marker Lamp Take Out
S1205: Near Rear License Lamp Take Out
S1207: Near Dome Lamp Take Out
S1208: Near Dome Lamp Take Out
S1209: Near Radio Take Out
S1902: Near Tailgate Power Window Switch Take Out

Connector Locations
C100: Through Dash At LH Side
C104: At Battery Ground Pigtail
C105: Engine Compartment LH Side At Dash
C109: Near Ignition Coil
C112: Near Oxygen Sensor
C113: Near Accumulator
C117: At LH Front Side Body Marker Lamp
C120: Near Fuel Pump Cut-Off Relay
C121: Below Junction Block
C122: RH Side Of Rear Cross Support
C125: Behind I/P
C127: LH Side Of Dash
C129: Near Boltage Regulator
C130: Below Voltage Regulator
C139: Near Boltage Regulator
C151: Engine Compartment
C157: At A/C Clutch Switch
C158: At Blower Switch
C168: Engine Compartment test
C170: Near TFI Ignition Module
C175: Engine compartment LH Side
C176: Engine compartment LH Side
C177: Engine compartment LH Side
C178: Rear Of Engine
C185: At Alternator
C186: At Alternator
C187: At Alternator Regulator
C188: At Alternator
C190: At Clutch Lockout Switch
C197: LH Side Of Rear Cross Support
C202: Cargo Area
C202A: Lower LH Quarter Panel
C203: RH Side Of Engine
C208B: Behind Instrument Cluster
C122: RH Side Of Rear Cross Support
C125: Behind I/P
C127: LH Side Of Dash
C129: Near Voltage Regulator
C130: Below Voltage Regulator
C139: Near Voltage Regulator
C151: Engine Compartment
C157: At A/C Clutch Switch
C158: At Blower Switch
C168: Engine Compartment test
C170: Near TFI Ignition Module
C175: Engine Compartment LH Side
C176: Engine Compartment LH Side
C177: Engine Compartment LH Side
C178: Rear Of Engine
C185: At Alternator
C186: At Alternator
C187: At Alternator Regulator
C188: At Alternator
C190: At Clutch Lockout Switch
C197: LH Side Of Rear Cross Support
C202: Cargo Area
C202A: Lower LH Quarter Panel
C203: RH Side Of Engine
C208A: Behind Instrument Cluster
C208B: Behind Instrument Cluster
C220: RH Fender Apron
C228: Near Accumulator
C230: Behind RH Side Of Carburetor
C231: Rear RH Side Of Engine
C232: LH Side Of Dash, Near Junction Block
C233: Near Alternator
C233A: Near Choke Heater
C235: RH Front Of Carburetor
C240: Behind I/P
C248: Engine Compartment Near Starter Relay
C252: RH Side Of Engine
C260: RH Fender Apron
C261: RH Fender Apron
C270: At Wiper Motor
C271: At Wiper Motor
C275: Engine Compartment LH Frame Rail
C276: Near Automatic Transmission
C280: Engine Compartment Near Starter Relay
C285: At Speed Sensor
C289: RH Cowl
C290: RH Cowl
C292: At Blower Motor
C293: At Blower Resistor
C305: LH Side Of Steering Column
C305A: LH Side Of Steering Column
C305B: LH Side Of Steering Column
C321: LH Fender Apron Near Ignition Module
C322: Near Distributor
C323: At Ignition Module
C325: Near Ignition Module
C327: Behind LH Side Of I/P
C332: In Engine Compartment
C333: Behind I/P
C343: LH Fender Apron Near Ignition Module
C344: LH Fender Apron Near Ignition Module
C352: At Throttle Positioner Solenoid
C353: Rear LH Side Of Frame At Rear Crossmember
C354: At LH Rear Park & Turn Lamp
C355: At RH Rear Park & Turn Lamp
C358: Behind Center Of I/P
C359: Behind I/P
C366: Behind Center Of I/P
C366A: Behind I/P Near Fuse Panel
C366B: Behind I/P Near Fuse Panel
C370: LH Frame Rail
C386: Near RH Battery
C406: LH Quarter Panel
C420: Engine Compartment LH Side
C425: RH Cowl
C428: At Electronic Shift Control Module
C429: At Electronic Shift control Module
C430: At Transfer Case
C431: At Electronic Shift Switch
C550: Attached To Wiper/Washer Switch
C602: Near Blower Motor
C603: Near Blower Motor
C606: Behind I/P
C616: Near Blower Motor
C701: To Main Light Switch
C714: At Speed Control Amplifier
C717: At Speed Control Amplifier
C727: Above Speed Sensor
C752: LH Side Of Hood At Engine Compartment Lamp
C753: To Speed Control Servo
C755: At Clutch Switch
C788: Near Throttle Position Sensor
C789: Under LH Side Of Driver Seat
C850: Lower LH Cowl Access Hole
C901: LH Side Of Dash, Near Junction Block
C906: At LH Cowl Access Hole
C913: At Center Of Rear Body Markers
C915: Engine Compartment LH Side
C916: LH Rear Of Frame
C918: LH Rear Of Frame
C950: At LH Rear Fender
C951: RH Rear Of Frame
C952: At Front Of RH Rear Fender
C953: At Rear Of Rear Fender
C954: At Front Of Cab Roof
C955: At Front Of Cab Roof
C956: At Front Of Cab Roof
C957: At Front Of Cab Roof
C958: At Front Of Cab Roof
C1101: Behind I/P LH End
C1102: Behind LH End Of I/P
C1105: LH Side Of Frame At Rear Crossmember
C1110: LH Rear Engine Compartment
C1111: LH Rear Of Frame
C1114: LH Rear Of Frame
C1201: Front LH Side Of Engine
C1907: Behind LH Rear Lamp
C1953: LH Cowl Center Access Hole
C1954: RH Cowl Center Access Hole
C1955: LH Cowl Area
C1956: LH Cowl Area
C1957: In RH Door
C1958: In LH Door
C1960: Back Of Fuse Panel
C1961: Back Of Fuse Panel
C1962: Back Of Fuse Panel