File 8 of 136
Prev | Next

Share This
Url
Tag
Img
Thumb


wiring72strip.jpg | Hits: 4453 | Posted on: 11/27/16 | View Low-Res

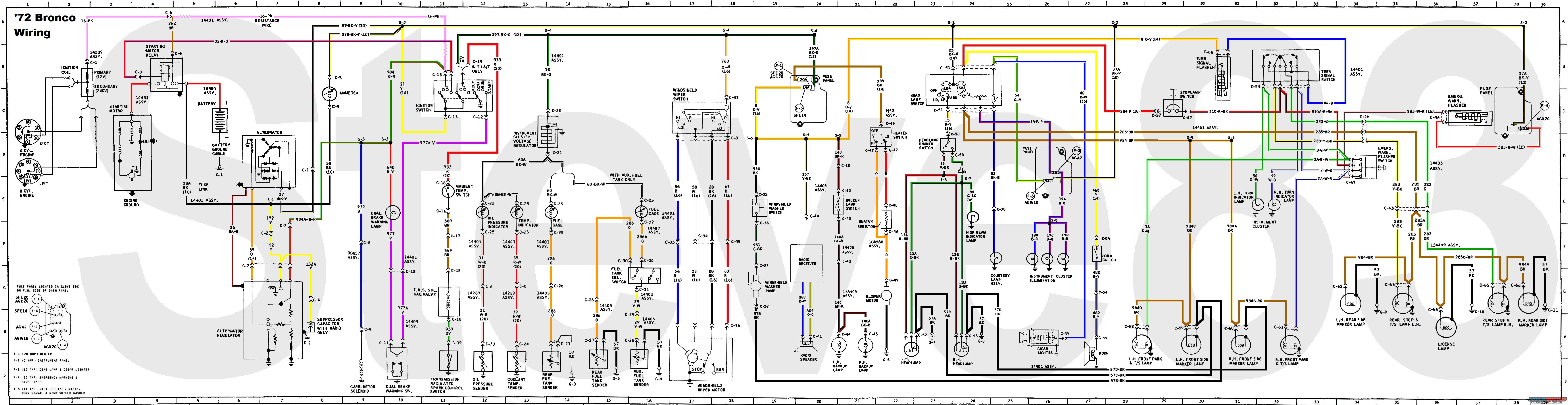
1972 Bronco Wiring Diagram
IF THE IMAGE IS TOO SMALL, click it.

Improved, corrected, & combined version of Seabiscuit's colorized diagrams. This is an early version - I may delete & re-upload it several more times with corrections, revisions, and additions.

Before printing, click the image to make sure you have the largest version.