LOG IN:
Username:
Password:
Forgot Password?
Join Now
Articles
Clubs
Forums
Gallery
Members
Registry
Services
Steve83
>
1994 Ford Crown Victoria
>
Diagrams
> radio-92ltc.jpg
File 124 of 207
Prev
|
Next
Share This
Url
Tag
Img
Thumb
Flag as inappropriate
radio-92ltc.jpg | Hits: 2859 | Posted on: 8/29/05 |
View Low-Res
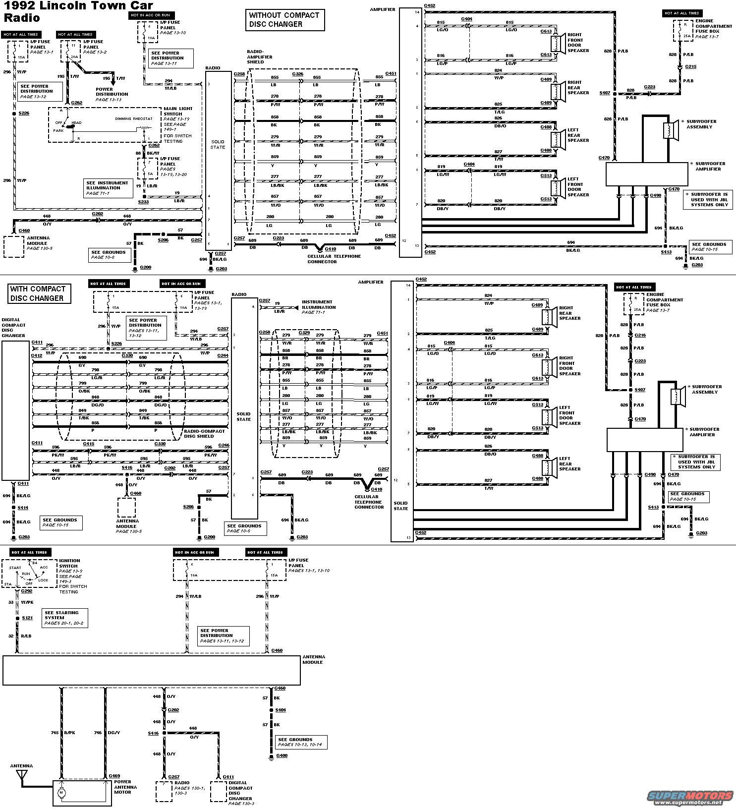
Radio 92 LTC