LOG IN:
Username:
Password:
Forgot Password?
Join Now
FullSizeBronco.com
Forums
Gallery
Members
Registry
About
cloim
>
1986 Ford Bronco
>
electric fan
> fan-control-prototype.jpg
File 4 of 4
Prev
|
Next
Share This
Url
Tag
Img
Thumb
Flag as inappropriate
fan-control-prototype.jpg | Hits: 695 | Posted on: 7/18/04 |
View Low-Res
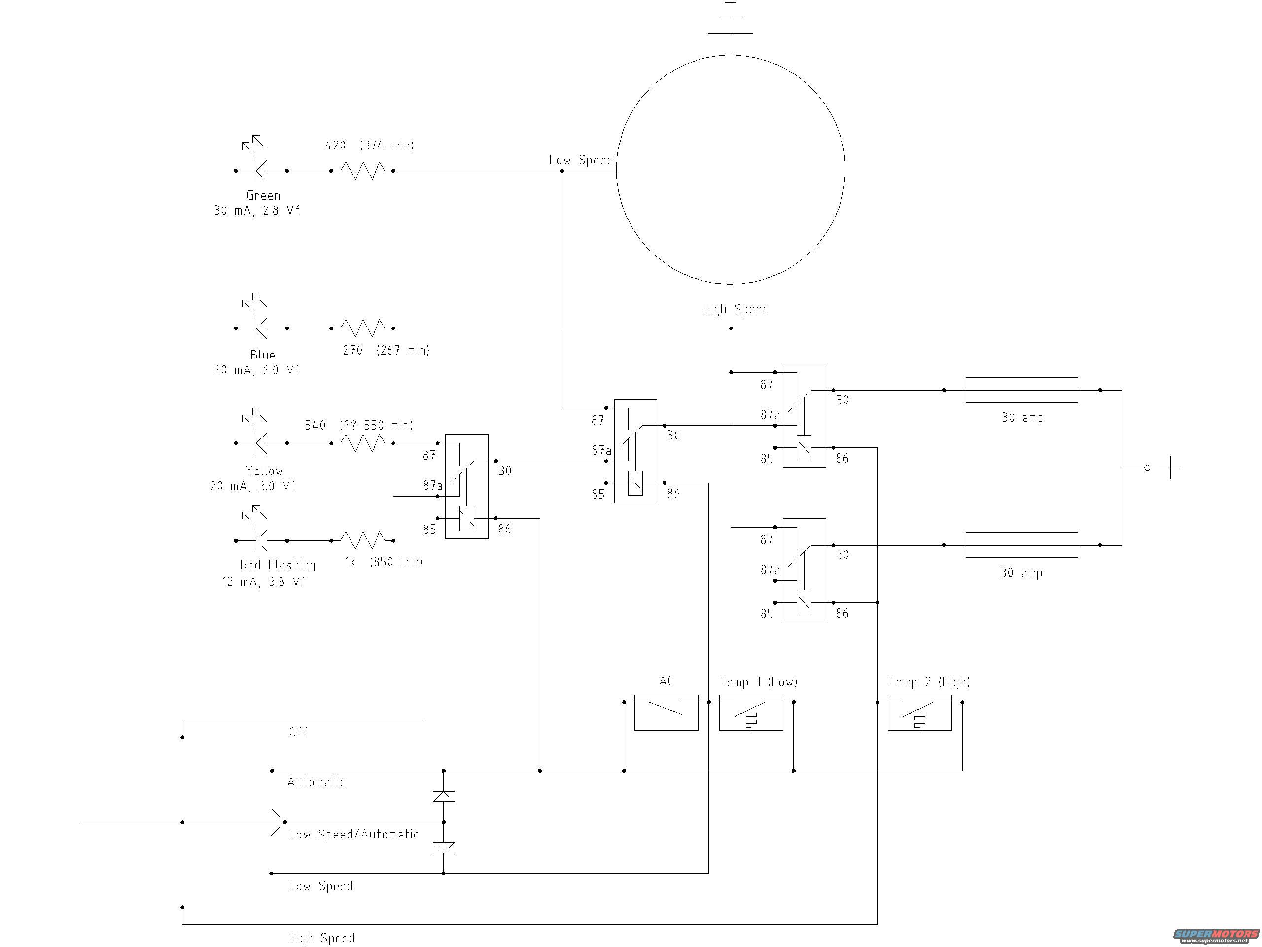
Prototype fan control circuit diagram.