LOG IN:
Username:
Password:
Forgot Password?
Join Now
Articles
Clubs
Forums
Gallery
Members
Registry
Services
SHOZ123
>
2010 Hyundai Genesis
>
Wire Diagrams
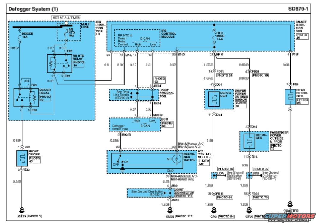
> defogger-wd-2013.jpg
File 25 of 95
Prev
|
Next
Share This
Url
Tag
Img
Thumb
Flag as inappropriate
defogger-wd-2013.jpg | Hits: 221 | Posted on: 7/28/15 |
View Low-Res