LOG IN:
Username:
Password:
Forgot Password?
Join Now
Articles
Clubs
Forums
Gallery
Members
Registry
Services
SHOZ123
>
2008 Hyundai Accent
>
Wire Diagram
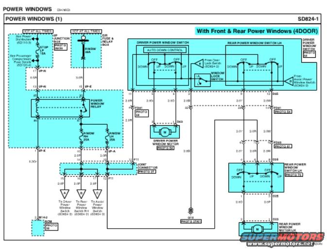
> accent-power-window-wd.jpg
File 8 of 11
Prev
|
Next
Share This
Url
Tag
Img
Thumb
Flag as inappropriate
accent-power-window-wd.jpg | Hits: 344 | Posted on: 10/16/20 |
View Low-Res