LOG IN:
Username:
Password:
Forgot Password?
Join Now
Articles
Clubs
Forums
Gallery
Members
Registry
Services
Drock96marquis
>
1996 Mercury Grand Marquis
>
Panther Electronic Engine Controls / Ignition
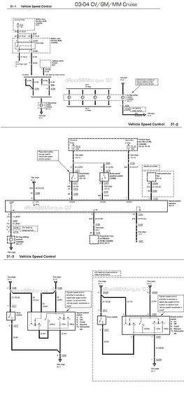
> 0304cruise.jpg
File 9 of 23
Prev
|
Next
Share This
Url
Tag
Img
Thumb
Flag as inappropriate
0304cruise.jpg | Hits: 2791 | Posted on: 4/20/07 |
View original size
(153.99 KB)
03-04 cruise