LOG IN:
Username:
Password:
Forgot Password?
Join Now
Articles
Clubs
Forums
Gallery
Members
Registry
Services
jem270
>
1988 Ford Bronco
>
technical stuff
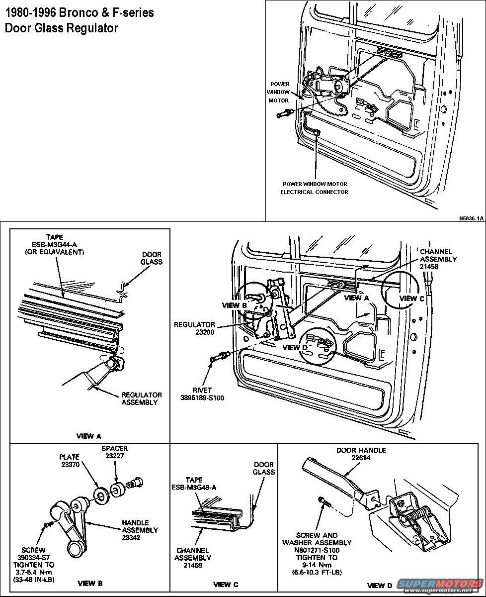
> door-window.jpg
File 4 of 59
Prev
|
Next
Share This
Url
Tag
Img
Thumb
Flag as inappropriate
door-window.jpg | Hits: 1356 | Posted on: 8/17/05 |
View Low-Res