LOG IN:
Username:
Password:
Forgot Password?
Join Now
Articles
Clubs
Forums
Gallery
Members
Registry
Services
seijirou
>
1988 Ford Bronco
>
Tech
> 92.96-multifunction.jpg
File 3 of 4
Prev
|
Next
Share This
Url
Tag
Img
Thumb
Flag as inappropriate
92.96-multifunction.jpg | Hits: 6972 | Posted on: 11/30/07 |
View original size
(140.91 KB)
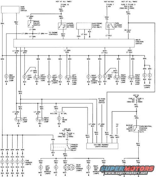
92-96 bronco/F150 multifunction switch wiring diagram.