LOG IN:
Username:
Password:
Forgot Password?
Join Now
Articles
Clubs
Forums
Gallery
Members
Registry
Services
86beast
>
1986 Ford Bronco
>
Wiring Diagrams
> stereo-radio-circuit-front-speakers-only.jpg
File 11 of 14
Prev
|
Next
Share This
Url
Tag
Img
Thumb
Flag as inappropriate
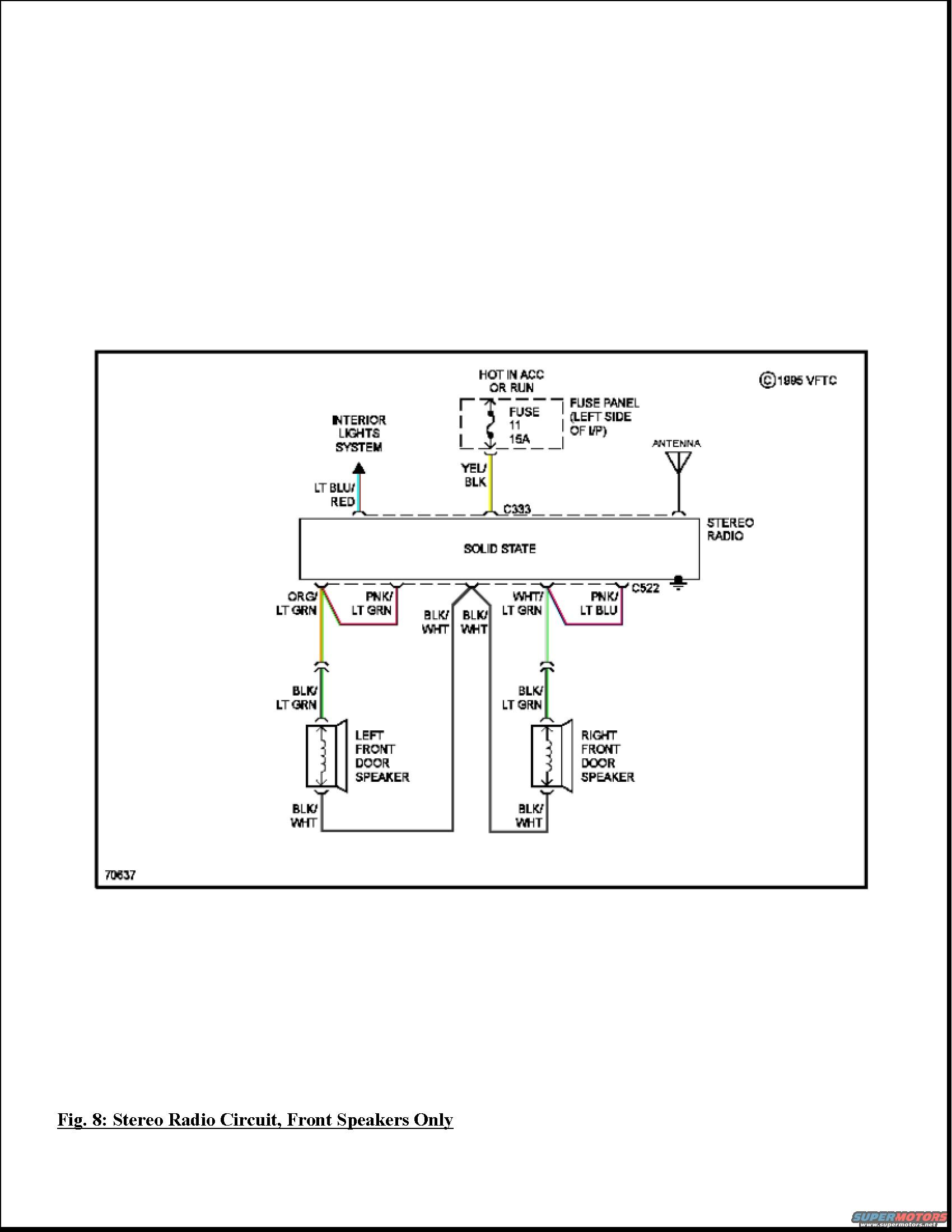
stereo-radio-circuit-front-speakers-only.jpg | Hits: 226 | Posted on: 11/28/14 |
View Low-Res
Stereo Radio Front Speakers