LOG IN:
Username:
Password:
Forgot Password?
Join Now
Articles
Clubs
Forums
Gallery
Members
Registry
Services
Indybronco
>
1974 Ford Bronco
>
Exploded Pics and Diagrams
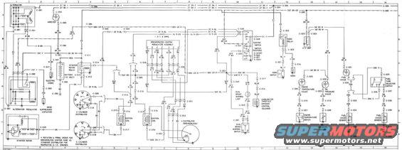
> 74wiring.jpg
File 2 of 58
Prev
|
Next
Share This
Url
Tag
Img
Thumb
Flag as inappropriate
74wiring.jpg | Hits: 403 | Posted on: 4/1/06 |
View original size
(128.56 KB)