LOG IN:
Username:
Password:
Forgot Password?
Join Now
Articles
Clubs
Forums
Gallery
Members
Registry
Services
SeattleFSB
>
1990 Ford Bronco
>
Diagrams and Schematics
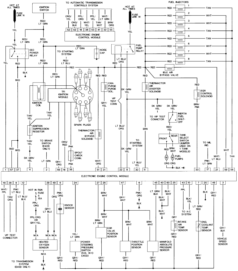
> efi-schematic2.gif
File 23 of 70
Prev
|
Next
Share This
Url
Tag
Img
Thumb
Flag as inappropriate
efi-schematic2.gif | Hits: 1840 | Posted on: 2/16/11 |
View Low-Res