LOG IN:
Username:
Password:
Forgot Password?
Join Now
Articles
Clubs
Forums
Gallery
Members
Registry
Services
SHOZ123
>
2010 Hyundai Genesis
>
Hyundai Service pics
> passenger-power-window-wd.jpg
File 75 of 102
Prev
|
Next
Share This
Url
Tag
Img
Thumb
Flag as inappropriate
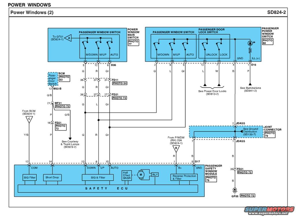
passenger-power-window-wd.jpg | Hits: 157 | Posted on: 8/5/18 |
View Low-Res