LOG IN:
Username:
Password:
Forgot Password?
Join Now
Articles
Clubs
Forums
Gallery
Members
Registry
Services
miesk5
>
1996 Ford Bronco
>
Technical Info
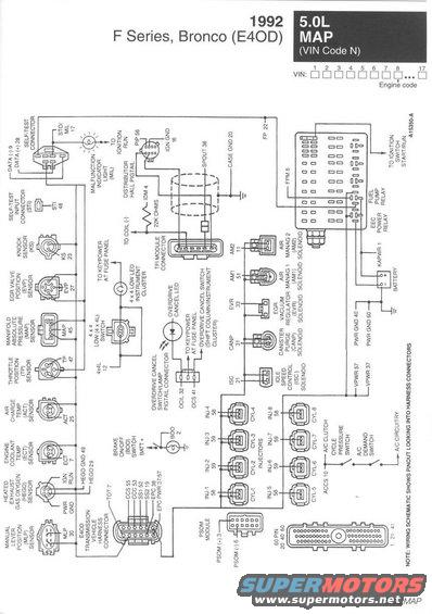
> 92broncoe4od5.0.jpg
File 49 of 160
Prev
|
Next
Share This
Url
Tag
Img
Thumb
Flag as inappropriate
92broncoe4od5.0.jpg | Hits: 1185 | Posted on: 7/13/11 |
View original size
(142.1 KB)