LOG IN:
Username:
Password:
Forgot Password?
Join Now
Articles
Clubs
Forums
Gallery
Members
Registry
Services
Steve83
>
1983 Ford Bronco
>
Side Mirrors
> pwrmir.jpg
File 67 of 83
Prev
|
Next
Share This
Url
Tag
Img
Thumb
Flag as inappropriate
pwrmir.jpg | Hits: 5356 | Posted on: 7/14/03 |
View original size
(57.4 KB)
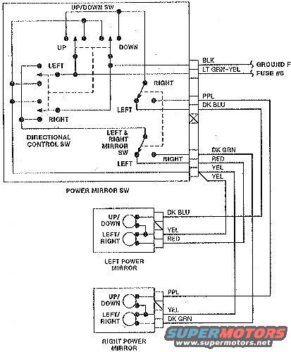
'92-96 Power Mirror Circuit